留言板

尊敬的读者、作者、审稿人, 关于本刊的投稿、审稿、编辑和出版的任何问题, 您可以本页添加留言。我们将尽快给您答复。谢谢您的支持!

姓名
邮箱
手机号码
标题
留言内容
验证码

2025年  第43卷  第2期

本期导读
2025, 43(2): .
摘要(79) HTML (77) PDF(5)
摘要:
交通安全
基于关联规则挖掘的船员不安全行为致因网络分析
马晓雪, 张瑞文, 乔卫亮, 韩冰, 杨杰
2025, 43(2): 1-10. doi: 10.3963/j.jssn.1674-4861.2025.02.001
摘要(226) HTML (133) PDF(27)
摘要:
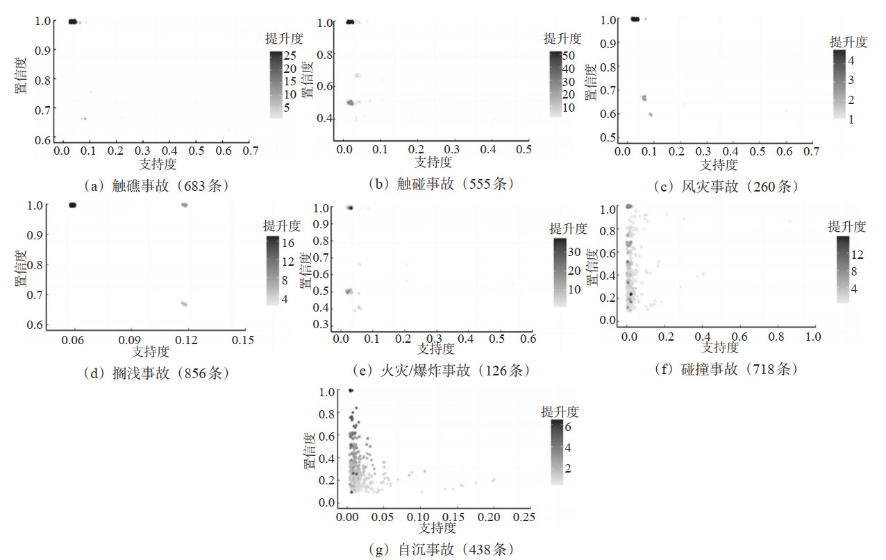
船员不安全行为是水上交通事故频发的关键诱因,但现有研究多集中于单一因素分析,缺乏对其多因素耦合致因机制的挖掘剖析。基于886份水上交通事故调查报告,运用扎根理论对事故调查报告的文本内容进行处理,归纳提炼得出船员不安全行为及其致因;依据人为因素分析分类模型,建立起包含5个层面、76个因素的船员不安全行为及其致因分析框架;采用关联规则挖掘算法,探究船员不安全行为及其致因间的耦合关系,揭示其如何协同作用于船员不安全行为的发生机制;运用复杂网络理论,将关联规则挖掘的结果映射到有向加权网络中,建立船员不安全行为致因网络模型,通过对模型的拓扑特征进行深入分析,识别出在事故过程中发挥关键作用的节点。结果表明:船员不安全行为致因网络呈现出典型的小世界网络特性,平均聚类系数为0.63,平均路径长度为2.095 2,表明影响因素间关联紧密,易引发连锁反应;置信度大于0.5的关联规则中,“值班船员严重瞭望疏忽”有55%的概率与其他因素协同作用引发其他船员不安全行为,致因网络中其介数中心性值约为0.262 7,在致因路径发展中发挥关键中介作用;“未采取安全航速”与“未充分、正确利用导助航设施,或导助航设施不可用”在搁浅事故中存在高度关联关系,与其他因素耦合时的相互诱发概率达70%。此外,“未能及早发现并采取有效的风险化解措施”“船长应急处置能力差”等在多个事故类型的关联规则中频繁出现,表明这些不安全行为在船员应对风险过程中属于重要环节。
基于盛行交通流的终端空域运行风险评估方法
支婧文, 张军峰, 马曌
2025, 43(2): 11-18. doi: 10.3963/j.jssn.1674-4861.2025.02.002
摘要(190) HTML (117) PDF(0)
摘要:
运行风险的刻画及评估是提高空域运行的安全性及管理能力中的关键步骤,在结构复杂、起降交织的终端空域运行风险评估更是关键因素。传统碰撞风险模型多集中于事前单机冲突检测及固定航路碰撞风险,在表征终端空域运行结构及事后风险态势分析方面存在不足。针对终端空域运行风险评估问题,从终端空域航迹数据中通过聚类获得盛行交通流,提取其中冲突场景的几何构型,刻画包含航空器机动调整及空域复杂性的冲突结构及冲突场景。结合风险点中涉及交通流的时间、空间分布情况,挖掘历史运行中的空域风险信息,建立单位时间内的航空器预计碰撞次数作为终端空域的风险评估指标。通过对不同时空尺度的指标数值累加,能够实现不同时空域内的风险量化及热点发掘,并对风险较高的交通流及风险热点提供预警,为后续管制调配、战术规划及空域建设提供指导。结果表明:该模型能够很好的表征空域运行风险并发现风险热点,以广州白云机场终端空域为例,发现该空域存在以下运行风险类型及时空风险热点:进场与进场之间的运行风险是广州终端空域的主要风险;VIBOS离场交通流在广州白云机场北向运行时需要重点关注;下午13:00—14:00,以及夜间22:00—02:00是广州终端空域安全运行需要着重考量的时间段。
公路隧道入口区域交通标志信息量对驾驶人视觉行为影响的实证研究
姜鲁青, 杜志刚, 麦晶
2025, 43(2): 19-27. doi: 10.3963/j.jssn.1674-4861.2025.02.003
摘要(269) HTML (118)
摘要:
为评估公路隧道入口区域交通标志信息量对驾驶人视觉行为的影响,通过实驾试验,结合眼动熵与耦合协调度模型,探究了不同信息量等级对驾驶人视觉行为的影响规律,揭示了交通标志信息量与眼动特性的协调机制。试验选取6条公路隧道入口区域,分别对应6种交通标志信息量等级(T0~T5,0~81.18 bits),招募40名驾驶人佩戴眼动仪采集眼动数据,分析注视持续时间、扫视持续时间、扫视幅度指标,并基于样本熵理论计算眼动熵来分析视觉搜索模式的复杂性,构建耦合协调度模型以评估信息量与眼动行为的协调水平。结果表明:公路隧道入口区域交通标志信息量显著影响驾驶人眼动特性,随着信息量增加,注视与扫视持续时间呈先减后增趋势,扫视幅度先增后减;T3等级(48.31 bits)下各项指标表现最优,表明该等级下驾驶人信息感知与搜索效率最高;接近隧道过程中,注视、扫视持续时间及幅度的样本熵均逐渐增大,识别视距范围(125~100 m)增长速率显著提升,表明驾驶人对环境信息的搜索强度随距离缩短而增强;T3等级下眼动熵最小,视觉搜索模式最稳定;信息量与眼动行为的耦合协调度呈先升后降的单峰曲线,T3等级耦合协调度达0.851,处于“良好协调”水平(等级9),而信息量不足(T0~T1)或过载(T4~T5)时均处于失调状态。
基于D-S证据理论的地铁站安全风险评估方法
董升, 马云洁, 周继彪, 杜运潮, 李泽炜
2025, 43(2): 28-35. doi: 10.3963/j.jssn.1674-4861.2025.02.004
摘要(213) HTML (166)
摘要:
高密度客流的安全风险评估对提升城市轨道交通系统应急响应能力具有重要意义。为解决传统评估方法存在的指标体系不健全、多源数据融合不充分、评估精准度低等问题,提出了改进的Dempster-Shafer(D-S)证据理论方法。该方法基于涵盖人员、设备、客流量、环境、管理的五维度指标体系,通过博弈论组合赋权确定综合权重,采用半梯形模糊隶属度函数量化各指标的安全等级隶属度,利用Jousselme距离公式构建证据相似度矩阵,引入校准系数和调节参数增强高冲突证据的识别与处理能力,运用线性加权得出风险等级。以宁波地铁鼓楼站为例,采集节假日晚高峰客流数据与专家评判信息构建多源证据集,并开展对比验证。结果显示:①与传统D-S方法、Yager方法相比,本文方法的平均冲突分别降低了34.4%和8.5%;②关键指标“客流量”隶属R3等级值达0.820 2,说明本文方法对高密度客流场景具备良好表征能力;③本文方法具有较强的适应性与稳定性,多场景对比验证中误差率低于5%。研究结果对高密度客流下轨道交通安全风险的识别与控制具有一定的借鉴价值。
交通信息工程与控制
基于PEW-YOLOv8的内河船舶目标检测方法
曹智远, 马勇, 成雪夫, 胡文韬
2025, 43(2): 36-43. doi: 10.3963/j.jssn.1674-4861.2025.02.005
摘要(224) HTML (136)
摘要:
内河船舶目标检测中,众多检测对象属于小目标范畴,其在图像中的像素占比有限,且由于水域环境干扰等问题,导致检测精度不足,误检、漏检现象频发,为此研究了PEW-YOLOv8(YOLOv8+P2检测层+EfficientNetV2+WIoUinner)目标检测算法。新增160×160分辨率的P2浅层次小目标检测层,通过32维特征空间重构实现多尺度特征的动态权重分配,设计高低层特征的双向交互机制,增强对小型船舶目标的特征提取能力;为应对多层次目标检测头导致的模型训练参数量增加的难题,采用改进的EfficientNetV2高效架构优化策略,引入Stems模块采用GELU激活函数避免梯度爆炸和训练不稳定,训练阶段保留扩展4倍的通道数,简化卷积结构显著加速训练过程,同时保证模型训练质量;设计动态非单调聚焦机制的WIoUinner损失函数,构建具有一定尺度差异的辅助预测框,加速边界框收敛速度,使模型在预测框与真实框重合良好时更注重中心点之间的距离,减轻几何度量的惩罚,从而提升模型的泛化能力。通过融合公开的Seaships数据集与自建数据集形成的数据集进行算法与实验验证,结果表明:同YOLOv10相比,PEW-YOLOv8平均检测精度达到94.8%,提升了3%,计算复杂度显著降低,FLOPs优化至3.7 G,降幅达43.1%,展现了在内河船舶目标检测精度和效率方面的优势;热力图分析进一步凸显了模型能有效聚焦内河船舶特征,验证了算法在复杂内河场景下的检测鲁棒性。
基于Transformer-TCN-GRU的场面滑行轨迹预测模型
王兴隆, 李国祥, 张钊, 叶可, 苏婷, 葛京
2025, 43(2): 44-53. doi: 10.3963/j.jssn.1674-4861.2025.02.006
摘要(343) HTML (167)
摘要:
对于航空器滑行轨迹预测,现有方法在实时推算中等时间尺度内的未来位置精度较低,为进一步提高中等时间尺度内轨迹预测的精度,并保证实时预测的高效性,将Transformer网络、交叉注意力机制、时间卷积网络(temporal convolutional network,TCN)与门控循环单元(gated recurrent unit,GRU)相结合,构建1种输出多条候选轨迹的地面滑行轨迹预测模型。引入Transformer编码器捕捉航空器历史轨迹数据中的时间依赖性和运动状态,获取轨迹特征序列的全局特征表示;结合机场矢量地图和管制系统给出的滑行路径指令计算航空器在未来计划的滑行路径坐标序列,使用交叉注意力机制,以轨迹序列的全局特征作为查询,关注路径坐标序列中对未来滑行影响最大的位置,将融合路径特征后的轨迹全局特征映射为多种模态,对应每条候选轨迹的特征;TCN-GRU轨迹解码器对每种模态的轨迹特征进行解码,捕捉轨迹序列中的长期时间依赖,输出多条预测轨迹及其概率。以国内某大型机场航空器真实滑行轨迹进行验证,未来8 s的位置轨迹预测最小平均位移误差(minimum average displacement error,minADE)为1.932 m,最小最终位移误差(minimum final displacement error,minFDE)为1.811 m,相较于单一的GRU、TCN模型,minADE降低14.10%、16.62%,minFDE降低30.88%、34.72%,测试样本平均耗时17.70 ms,可以准确、快速预测滑行轨迹,有利于保障飞行区的安全运行。
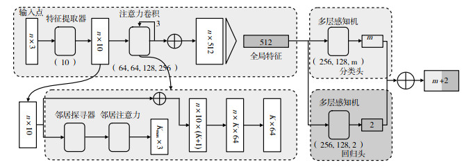
基于图神经网络的手机扫描点云路面坑洞检测方法
张庭瑞, 张学全, 杨子川, 马文硕, 刘兵
2025, 43(2): 54-64. doi: 10.3963/j.jssn.1674-4861.2025.02.007
摘要(440) HTML (260)
摘要:
路面坑洞快速检测与评估对确保道路交通安全至关重要。针对目前基于采集车或无人机的检测方法成本高、部分场景受限,而基于智能手机的检测方法量化精度低的缺陷,研究了基于图神经网络(graph-based attention neural network,GANN)的手机扫描点云路面坑洞提取量化方法。通过搭载激光雷达的智能手机环扫采集路面坑洞点云数据,利用平面拟合和聚类算法对点云数据进行预处理;针对坑洞点云数据中隐含的局部几何特征,在传统图神经网络点云模型的基础上,研究了基于图注意力机制的点云深度学习模型。该模型设计了注意力邻居卷积层,在更大的感知域内通过注意力机制寻找重要节点作为邻居,改善了当前算法动态图构建不佳的缺陷;同时构建了几何特征提取器,通过引入伞曲面准确表示点的局部几何特征,改善了当前算法忽略几何特征的缺陷,对预处理后的点云数据实现高精度分类和量化评估。实验使用智能手机iPhone14 Pro对武汉市武昌区武汉理工大学余家头校区周边路网中的路面坑洞进行扫描测量,构建城市道路路面坑洞点云数据集,进行坑洞检测和评估,结果表明:GANN模型的深度量化误差和体积量化误差分别为4.58%和5.57%,能够准确提取点云数据中的路面坑洞。得益于GANN模型的信息保留和几何特征挖掘,与最新模型PointNeXt和PointMLP的检测结果相比,GANN模型的深度量化误差和体积量化误差分别降低了2.41%和0.11%,对路面坑洞的量化精度更高。
基于MASTGCN的AIS信息船舶SO2排放预测模型
姚丹阳, 岳明齐, 张珣, 武芳, 程诗茗
2025, 43(2): 65-73. doi: 10.3963/j.jssn.1674-4861.2025.02.008
摘要(254) HTML (123)
摘要:
船舶排放的二氧化硫(SO2)是导致大气污染和海洋酸化的主要因素之一,其时空分异性显著且不均,当前船舶污染物预测模型在时空依赖性建模方面存在局限性,难以有效捕捉船舶SO2排放中的复杂时空关联特征。针对该问题,基于船舶自动识别系统(automatic identification system,AIS)数据及中国船舶基础信息数据,采用动力学方法结合排放因子量化船舶航行过程中的SO2排放量,为后续预测提供了数据支持。在预测模型构建方面,研究了融合多头自注意力机制的时空图卷积网络(multi-head attention spatial-temporal graph convolutional network,MASTGCN)预测模型。该模型以时空图卷积网络(spatial-temporal graph convolutional network,STGCN)为基础架构,在空间和时间维度中引入多头自注意力机制,通过动态权重分配强化对不同区域间空间关联性以及不同时段间时间关联性的建模能力,实现对船舶SO2排放的时空预测。实验结果表明,在注意力头数为5时,模型的平均绝对误差(mean absolute error,MAE)、均方误差(mean squared error,MSE)、均方根误差(root mean squared error,RMSE)以及浮点运算数(floating point operations,FLOPs)分别为0.057 5、0.120 6、0.347 3、3 030 M,模型准确度和计算复杂度的综合性能优于其他头数配置及STGCN模型。相较于STGCN模型,MAE、MSE、RMSE和FLOPs指标分别提高了27.6%、6.0%和1.3%。研究结果表明,多头注意力机制可以通过动态权重分配有效捕获船舶SO2排放的空间特征,5个注意力头的MASTGCN模型在预测精度上表现优秀,同时在计算复杂度方面保持相对合理。
基于SEM的高铁点线通过能力动态耦合协调方法
张春民, 朱媛婧, 江雨星
2025, 43(2): 74-84. doi: 10.3963/j.jssn.1674-4861.2025.02.009
摘要(199) HTML (122)
摘要:
针对影响高铁点线系统通过能力动态因素众多且各动态因素间影响关系复杂、难以量化动态因素权重的问题,研究了基于结构方程模型(structural equation modeling,SEM)的高铁点线系统通过能力动态耦合协调方法。为探究高铁点线系统通过能力动态因素间的复杂影响关系,将影响高铁点线系统通过能力的动态因素分为点系统、线系统、运输组织、作业时间、延误及早点子系统,构建PLE-SEM的高铁点线系统通过能力动态协调模型。此基础上,引入上海西站—上海站区段的高铁点线系统数据对模型进行测量模型和结构模型检定,验证模型的有效性、科学性和拟合优度,揭示该区段高铁通过能力各子系统间的影响关系和影响方向,得到各子系统中各指标的权重,找出通过能力瓶颈。运用耦合协调度模型计算该区段点线通过能力系统和各子系统耦合协调度,识别关键环节。结果表明:①此模型方法适用于探究高铁点线系统通过能力动态因素间的复杂影响关系,能够识别判断出高铁点线系统通过能力各子系统中的重要动态因素,且能量化影响关系,指明影响方向;②经过实例模型计算,所提方法确定出各个子系统中的关键因素,并且能够反映因素之间的动态耦合关系,影响关系总计存在13条直接影响路径和9条间接影响路径,将各子系统间的影响可视化,可以依据所得结果选取合理计算能力参数及取值范围。
交通规划与管理
城市自适应出行热点探测及区域划分方法
闫宇辰, 汪语心, 全威
2025, 43(2): 85-94. doi: 10.3963/j.jssn.1674-4861.2025.02.010
摘要(219) HTML (104)
摘要:
针对固定带宽热点识别在多密度出行数据中的适应性不足,以及传统区域划分方法引发的空间异质性表达失真问题,本文提出了1种面向城市交通的自适应热点探测与动态区域划分方法。构建自适应出行密度估计模型,通过先导估计确定全局初始带宽,结合最大似然估计标定敏感性参数,并引入局部带宽修正系数和动态带宽调整机制,实现研究带宽的自动调节。开发多级热点识别技术,采用移动窗口极值检测与自然断裂分级相结合策略,构建出行热点评价体系。以热点为控制点生成泰森多边形作为基本分析单元,保持空间异质性特征,结合出行热度、莫兰指数等五类指标评估区域划分效果。以哈尔滨主城区出租车轨迹数据为样本进行实证,结果显示:较固定带宽方法,本方法热点识别数量提升2.1~6.7倍,区域热度差异标准差达572.8;面要素内点数据平均中心与重心距离为137.8 m,较传统栅格方法减少15.1%~74.3%,验证了区域划分的均质性优势;块金基台比降低至0.135,单元内部变异度减少39.6%,表明其能有效保留数据聚集特征并降低可塑性面积单元问题影响;自适应方法在研究区域内共得到了1 719个出行热点,在哈尔滨西站等区域精准定位路网交叉口热点,边界清晰且地理语义明确。研究结果为多密度出行数据分析提供了自适应框架,可支持出租车调度、需求预测等应用场景。
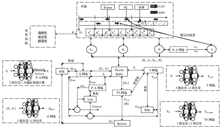
混行下CAV作业区分段式深度强化学习合流模型
辛琪, 荚胜琪, 徐猛, 齐嘉乐, 袁伟
2025, 43(2): 95-108. doi: 10.3963/j.jssn.1674-4861.2025.02.011
摘要(207) HTML (166)
摘要:
针对经典提前合流和延迟合流对动态流量适应性差,以及上游速度差导致合流车辆“错位”问题,研究了基于深度强化学习方法的作业区智能网联车(connected and autonomous vehicle, CAV)分段控制合流模型。通过依次进行车速引导、间距创建和位置对齐,解决换道期多辆封闭车道合流车辆同时申请汇入1个开放车道间距而导致的汇入冲突和效率降低问题。模型将基于柔性演员-评论家算法的纵向轨迹控制与规则的换道决策相结合,共同优化合流轨迹。其中纵向轨迹优化首先选取自车速度与加速度、前车速度与到其距离、相邻车道前后车速度与到其距离、到合流点距离9个特征作为智能体状态,用以刻画自车所处的局部和全局交通状态;其次以降低加速度幅值及其变化率、避免碰撞、创建合流间距、对齐开放车道间距中心、抑制前后车速度差、按推荐速度引导、增加后车让行为目标,分别从舒适、安全、效率角度构建了作业区分段式奖励函数。特别地,基于目标车道后车速度差构建的效率惩罚性函数,解决了混行交通流合流点停车延误多的问题。仿真结果表明:在中、高流量下,与提前合流、延迟合流和新英格兰合流方法相比,本文模型平均车速和最小碰撞时间分别提升了约4.76%和19.71%,进一步加强了作业区行车效率及安全;此外,在含异质人工驾驶车辆的混行交通下,随着CAV市场渗透率的提高,平均车速、最小碰撞时间和合流成功率均呈增大趋势,且均能实现不停车合流。
大型枢纽机场航站楼港湾区运行程序优化方法
欧阳杰, 孙铭扬, 朱长青, 寇伟彬
2025, 43(2): 109-118. doi: 10.3963/j.jssn.1674-4861.2025.02.012
摘要(159) HTML (150) PDF(0)
摘要:
大型枢纽机场广泛采用指廊式航站楼构型以获得更多的近机位,但因时空资源受限、供需关系不对等,指廊间形成的U型港湾区域逐渐成为机场高效运行的瓶颈。为解决高峰时段航空器进出港湾区受限的问题,研究了港湾区航空器的运行优化程序。通过解析港湾区的结构特性和运行现状,构建面向港湾区的交通工程技术集,分别提出基于现状和工程技术优化后的航班编组运行程序。考虑航空器在港湾区的运行规则,建立港湾区全时段、全流程的运行优化模型,为实现高效求解,设计基于安全距离因子的动态编组算法。为比较优化前后的提升效果,基于广州白云机场西北港湾区实际航班数据进行验证,分别对比实际条件下的运行、编组运行,以及工程技术优化后的编组运行3种情况。结果表明:编组运行及工程技术优化后编组运行的全时段航班平均运行时间较现状分别降低11.37%,14.45%。其中,离港航班平均运行时间分别降低6.47%,10.13%;进港航班平均运行时间分别降低20.27%,22.31%。延误分析中,航班延误时间分别降低45.94%,58.42%。基于现状及工程技术优化后的全时段航班编组数量分别为29组和34组,港湾区高峰运行时段最多可实现3组航班编组运行,验证了对航班进行编组运行程序优化提升复杂构型与复杂运行场景下港湾区整体运行效率的有效性。
自动驾驶功能使用意愿的影响因素分析
孙守众, 秦华, 陈琪萱, 冉令华
2025, 43(2): 119-126. doi: 10.3963/j.jssn.1674-4861.2025.02.013
摘要(240) HTML (129) PDF(0)
摘要:
尽管越来越多配备自动驾驶功能(automated driving function,ADF)的车辆走向市场,但用户的实际使用率并不高。为了促进用户对车辆中自动驾驶功能的认可与应用,了解用户对ADF的使用意愿及其影响因素成为关键。先前的研究调查了在车辆中使用自动化功能的意愿,但这些研究大多受限于技术,调查的对象往往缺乏充分的使用体验。因此,有必要基于充分体验过的用户群体开展调查。研究进行了一项广泛的问卷调查,面向有过使用经验或体验的驾驶人,从人口统计学、行为模式和感受评价3类用户信息入手,探究影响使用意愿的关键因素。研究基于文献和成熟量表,构建了ADF使用意愿的调查问卷,通过线上和线下方式共收集有效问卷223份。通过相关性分析和层次回归分析构建ADF使用意愿预测模型,探究了3类用户因素对用户使用意愿的影响。研究结果表明:①当前环境下,构建的ADF使用意愿预测模型能够解释68.9%的变异;②感知安全是最大的预测因素,共解释了使用意愿36.2%的变异;③新技术倾向、感知有用性、信任、了解程度和年龄对使用意愿的影响同样显著,其中新技术倾向是行为模式信息中影响使用意愿的最大因素;④尽管用户的行为模式对自动驾驶使用意愿的影响显著,但仍然可以通过良性的驾驶体验提升使用意愿。
基于QRF-SA-ConvLSTM模型的网约车需求预测方法
李晓梅, 吕斌
2025, 43(2): 127-135. doi: 10.3963/j.jssn.1674-4861.2025.02.014
摘要(233) HTML (151) PDF(0)
摘要:
网约车需求预测中考虑时空特征和不确定性影响对于提升交通系统的效率和稳定性至关重要。研究了融合分位数回归森林(quantile regression forest, QRF)和自注意力卷积长短期记忆网络(self-attention convolutional long short-term memory, SA-ConvLSTM)的预测模型,通过协同优化时空特征学习与概率分布建模,实现高精度需求预测与不确定性估计。首先,模型利用分位数回归森林生成指定概率区间的需求预测分布,并结合注意力机制对原始数据加权融合,构建时空概率矩阵;随后将该矩阵输入SA-ConvLSTM模块,由卷积结构提取局部空间模式,自注意力机制聚焦关键时空节点,LSTM捕捉长期时间依赖;最终通过多任务输出层同步优化点预测与区间估计。该方法同时结合了分位数回归的分布建模能力与深度学习的时空特征提取优势,进而提升预测精度和不确定性量化能力。研究采用滴滴开源的西安市二环内网约车轨迹数据集验证模型的有效性和准确性。结果表明:均值预测中,提出模型的平均绝对误差和均方误差分别较SA-ConvLSTM模型降低了21%和17.2%;不确定性估计中,提出模型在95%置信度下的区间覆盖率相对于线性分位数回归(linear quantile regression,LQR)、QRF和SA-ConvLSTM模型分别提高了5.3%、2.5%、0.9%,同时区间平均宽度分别减少了41.5%、30%、18.5%。以上结论验证了模型的预测精度和可靠性。
“基于道路全息感知及人工智能的主动交通安全防控”专栏
“基于道路全息感知及人工智能的主动交通安全防控技术”专栏导言
2025, 43(2): 136-136.
摘要(160) HTML (123) PDF(0)
摘要:
智能网联环境下高速道路交通运行风险分析综述
张梦雅, 杨晓光, 马成元, 杨洁
2025, 43(2): 137-153. doi: 10.3963/j.jssn.1674-4861.2025.02.015
摘要(542) HTML (252) PDF(0)
摘要:
高速道路交通运行风险分析对交通安全性、可靠性及实现主动管理与控制具有重要的理论意义和实用价值。网联环境为交通运行风险分析提供了全新的方法、理论与技术支持。面向高速公路和城市快速路等连续交通流,系统综述了非网联环境与网联环境下交通流运行风险分析的理论基础与关键技术,并展望了未来的研究发展方向。研究表明,非网联环境下交通运行风险分析多依赖有限非结构化数据,主要聚焦风险因素识别、事故机理解析与风险预测等问题,存在场景建模精度有限、对交通动态演变响应能力不足及实时风险感知与预测能力有待提升的问题。网联环境下,随着多源实时数据的融合应用,交通风险分析逐步向事前预测与局部交互挖掘转变,数据支撑与建模精细度有所提高。然而,在混合交通流条件下,不同类型车辆之间的交互演变规律尚未形成系统建模框架。异质驾驶决策、通信延迟与感知偏差等因素的综合作用机制尚待细化,复杂交通环境中动态要素协同演化过程的建模与解释能力亦需加强。未来研究可深化人-车-路协同演化机制建模,完善混合交通流中风险积累与传播规律的表征,强化多源感知数据融合与动态特征提取,提升交通运行风险评估的实时性与鲁棒性,推进智能推演算法与系统级验证方法的开发。通过理论深化、数据赋能与技术协同,逐步构建可解释、可预测、可干预的智能交通运行风险防控体系。
基于机器学习方法的路面病害检测研究综述
邹政, 陈江, 郎洪, 王笑风, 万晨光, 丁朔, 陆键
2025, 43(2): 154-168. doi: 10.3963/j.jssn.1674-4861.2025.02.016
摘要(578) HTML (251) PDF(0)
摘要:
道路路面的质量状况直接影响其使用寿命和行车安全。路面病害具有机理复杂、形态多样的特点,且在空间尺度上呈现出大样本分布,给度量与标注带来较大挑战,传统检测方法难以满足多场景、多类型病害识别的实际应用需求。本文回顾了机器学习方法在路面病害检测中的重要研究成果,比较了不同识别方法的技术原理和适用性,并总结了公开和私有的路面病害图像数据集。然后,基于三维深度数据对路面病害展开多种特征分析,为挖掘路面病害多元特征与人工智能模型的相互作用提供算法基础。最后,系统性介绍了通用的客观评测指标以保证路面病害智能算法评价的公正性。病害识别经历了传统的阈值分割、面元分类和目标检测并逐步发展到像素级图像分割的趋势,自动识别算法的准确性和通用性得到了大幅度提升。传统机器学习方法和深度学习方法之间仍然可以相互借鉴与融合,以覆盖更多的路面病害类型并促使模型能够学习到更多有效特征,从而提高病害检测精度及效率。现有不同识别算法应以运行时间、显存占比、运算量、识别率作为一致的性能评价指标,并考虑不同道路环境下不同维度的路面病害数据集。未来应研发适应复杂工况的检测与处理方法,提升信噪比与模型泛化能力,推动智能算法在多场景中的落地应用。
面向路域感知的路侧多传感器位置标定方法
黎成民, 王俊骅, 傅挺, 上官强强
2025, 43(2): 169-176. doi: 10.3963/j.jssn.1674-4861.2025.02.017
摘要(260) HTML (131) PDF(0)
摘要:
针对智慧高速公路建设中路域感知系统对桩号高精度定位的需求,以及现有标定方式在精度、效率与安全性方面的不足,研究了面向路域感知的路侧多传感器位置标定方法。通过设计搭载实时动态测量设备(real time kinematic,RTK)设备的测试车在各传感器位置定点采集高精度经纬度信息,并与人工桩号记录进行匹配,建立经纬度至桩号坐标的映射关系。进一步引入工程坐标作为中间坐标系,构建“经纬度坐标—工程坐标—桩号坐标”的统一转换路径,支持多传感器直接在桩号坐标系下完成标定。为提升标定鲁棒性与自动化程度,研究了结合道路线形先验与参数自适应能力的改进基于随机采样一致(random sample consensus,RANSAC)算法,设计平均误差指标与内点变化率曲线,借助误差阈值选择机制识别异常桩号并剔除外点,自动筛选最优标定模型。实验结果表明:本文方法实现了0.28 m的标定误差,识别并修正了5个异常桩号点,显著优于传统最小二乘法的0.63 m误差与0个异常点识别;相比截断最小二乘法方法的0.35 m误差与21个内点,以及最小中值二乘法方法的0.19 m误差但仅保留14个内点,本文方法在保持19个内点的同时,兼顾精度与数据保留率,在精度提升与鲁棒性方面实现更优权衡。最终构建的桩号坐标系下路域轨迹数据可直观表达车辆车道位置与桩号信息,验证了本方法在智能交通系统中的实用性与推广价值。
基于BKPE安全场模型的复杂天气状态下的行车风险识别方法
李诚信, 柳本民, 廖晨非, 王鹏飞, 胡佳欣, 刘鹏乾, 涂辉招
2025, 43(2): 177-186. doi: 10.3963/j.jssn.1674-4861.2025.02.018
摘要(222) HTML (76) PDF(8)
摘要:
目前的行车安全场理论基于“人-车-路”三维构建势能函数,但忽略了复杂的天气因素对行车风险的复合影响,将道路状况(“路”)与天气情况(“环”)所产生的影响简单地归于一类。这低估了天气环境对行车风险的影响程度,并存在对极端天气的风险解算不够敏感的问题,使得方法的实际应用受到较大局限。因此基于行车安全场(driving safety field,DSF)理论,引入了新的环境场函数,实现“人-车-路-环”的风险因素全覆盖,分别构建行为场(behavior field)、动能场(kinetic energy field)、势能场(potential energy field)和环境场(environment field),以此提出针对恶劣天气下的行车安全场BKPE模型。基于中国道路交通安全数据集对原有行车安全场相关参数进行重新标定。同时分析天气因素对行车安全影响的指数变化特征,构建环境了影响因子,并提出环境场函数。在构建包含环境场的行车安全场模型的基础上,基于Car-100数据集,对具体实例计算其人工势能函数,进行微观分析。通过2个典型事件进行多类型风险的量化分析,同时与原有行车安全场模型进行比较分析,说明原有行车安全场模型对于天气环境形成的风险存在低估。随后基于Bootstrap抽样,6次采样计算所得人工势能函数对实际交通事件的描述平均准确率达到91.7%。最终,基于BKPE模型,提出相应的行车风险控制对策。