留言板

尊敬的读者、作者、审稿人, 关于本刊的投稿、审稿、编辑和出版的任何问题, 您可以本页添加留言。我们将尽快给您答复。谢谢您的支持!

姓名
邮箱
手机号码
标题
留言内容
验证码

2025年  第43卷  第4期

本期导读
2025, 43(4): .
摘要(95) HTML (62) PDF(13)
摘要:
综述
弱势道路使用者对自动驾驶汽车态度研究综述
韩晓, 唐媛, 绳晓露, 房珂馨, 邢莹莹
2025, 43(4): 1-13. doi: 10.3963/j.jssn.1674-4861.2025.04.001
摘要(378) HTML (188) PDF(67)
摘要:
自动驾驶技术的推广不仅取决于技术进步,更依赖于公众态度。车辆运行中必然与弱势道路使用者互动,包括行人、非机动车驾驶者、老年人、儿童和残障人士。深入研究这些群体对自动驾驶的态度及其影响因素,对促进技术的社会接受与安全落地具有重要意义。本综述首先梳理了自动驾驶汽车的潜在优势,随后重点回顾了弱势道路使用者对自动驾驶汽车的态度及其影响因素,旨在为未来研究者、技术开发者和行业决策者在技术优化与政策制定中提供参考。研究发现,大多数弱势道路使用者对自动驾驶持积极态度,其中行人和非机动车驾驶者中的年轻男性支持度更高,残疾人将其视为出行机遇,而老年人因适应性较弱更偏好传统车辆;同时,熟悉度的提升能够增强接受度。然而,安全性与可靠性仍是其信任的关键障碍:行人和非机动车驾驶者担忧道路交互风险,残疾人顾虑设计缺陷与自主性受限,老年人对新技术互动感到不安,儿童的家长则关切安全设施保障。本文还总结了若干国家在弱势道路使用者保护方面的政策与实践经验,可为自动驾驶时代的安全保障提供借鉴。最后,本文提出了未来研究方向,包括拓展研究对象与地域范围、引入体验式研究方法、开展纵向追踪研究、运用潜在类别分析识别群体差异,以及区分不同技术等级和运营模式进行情境化分析,以深化对弱势道路使用者态度演变的理解并为技术迭代与政策优化提供支持。
交通安全
基于改进安全势场的内河桥区防撞预警方法
黄立文, 温腾, 李浩宇, 赵兴亚, 张坤
2025, 43(4): 14-23. doi: 10.3963/j.jssn.1674-4861.2025.04.002
摘要(253) HTML (105) PDF(32)
摘要:
为精准量化内河桥区船舶碰撞风险动态演变过程并实现分级预警,研究了一种融合船舶动态运动预测与多维势场耦合的评估方法。结合船舶航行特性与桥区环境约束,对传统安全势场模型进行适配性改进并应用于船桥防撞风险评估。基于风险致因理论,将桥区风险分解为静态障碍物、航道约束、人因决策及船舶运动动能四要素,分别构建静态势能场、边界势场、行为势场及时变动能场,通过权重分配实现四类势场的耦合。针对风流扰动引发的船舶运动非线性及预测不确定性,采用卡尔曼滤波算法实时处理船舶自动识别系统(automatic identification system,AIS)数据,校正过程噪声与观测噪声以预测船舶动态偏差,将该偏差作为时变动能场修正参数,提升势场模型对动态风险的表征精度。将时变动能场与改进势场模型叠加形成综合预测场强,结合实测AIS数据生成实测场强,建立“预测-实测”双场耦合预警机制,参考相关条例及历史案例设定动态阈值触发分级预警。以池州长江公路大桥为背景开展实验验证,结果显示:T2、T3、T4时刻预测场强分别为0.75、0.64、0.45,实际场强分别为0.65、0.59、0.40,最大相对误差13.3%出现于T2过桥墩时刻。实验证实该模型在内河桥区船桥碰撞风险预警中的实时性与准确性,双场耦合机制可在桥墩高风险区域实现误差可控预警,为船舶过桥决策提供动态风险量化依据。
有人无人融合运行下空域宏观交通风险建模与评估方法
尚然然, 胡明华, 杨磊, 任禹蒙, 李洋洁
2025, 43(4): 24-36. doi: 10.3963/j.jssn.1674-4861.2025.04.003
摘要(377) HTML (183) PDF(43)
摘要:
有人与无人驾驶航空器融合运行为空域安全评估带来了全新挑战。现有风险评估研究主要聚焦于基于轨迹推演的战术级碰撞风险评估,缺乏面向空域规划设计的战略级系统层面风险评估。为全面评估空域安全水平,确保大型无人机规模化安全融入管制空域,研究了有人无人融合运行下空域宏观交通风险建模与评估方法。从航路与交叉点结构特征入手,构建了基于几何形态与冲突临界断面的空域静态风险指标;基于交通流运行特性,从水平和垂直这2个维度提出了空域动态风险指标;通过将静态复杂度与动态冲突风险进行耦合,建立了综合反映空域结构静态特征与航空器运行动态特征的融合空域交通风险评估模型。在此基础上,以上海4个区域扇区为例,进行有人机运行场景下风险评估分析,以此验证模型的可行性和有效性并获取空域目标安全水平;进而设计仿真实验,探究融合运行下异质交通流速度差、间隔、混合比3个参数对风险的影响机理;并以不超过空域目标安全水平为准则,进行等效风险下有人无人融合运行判定,评估各有人机航路允许引入的无人机架次。结果表明:①速度差和间隔是风险的核心驱动因素,混合比对空域交通风险的影响与间隔值设定有关,当有人无人间的最小安全间隔远大于有人机间的最小安全间隔、无人机间的最小安全间隔时,无人机占比为50%左右时风险最高;②速度差、间隔和混合比3个参数间存在复杂协同作用,无额外高阶耦合效应;③高初始风险时段不利于引入无人机融合运行。
面向视野盲区的固定翼飞行器公路碰撞模型
常银霞, 张世卿, 靳慧斌, 李玮玲, 张召悦, 杨常卫
2025, 43(4): 37-45. doi: 10.3963/j.jssn.1674-4861.2025.04.004
摘要(150) HTML (104) PDF(11)
摘要:
针对小型固定翼飞行器在公路紧急迫降时,视野盲区影响飞行员安全距离判断,进而增加飞行器与地面车辆碰撞概率的问题,以SA60L小型固定翼飞行器为研究对象,构建了面向视野盲区的低空飞行器-地面车辆碰撞模型,量化研究了多因素对碰撞风险的影响。基于SA60L的降落特性,建立目视降落过程的三维视野盲区模型,以飞行员位置为基点构建三维坐标系,结合人眼20°下视角约束,确定视野盲区在地面的投影范围。结合地面车辆驾驶员反应时等参数,将碰撞场景划分为2类,建立碰撞概率模型:针对后方车辆碰撞场景,推导未制动、制动后速度未减至0,以及制动后速度减至0这3种状态下的碰撞概率公式;针对前方车辆碰撞场景,以飞行器着陆滑跑停止距离覆盖前方车辆为冲突条件,建立碰撞概率计算逻辑。同时,将三维视野盲区作为概率计算的前置约束,仅当地面车辆进入危险区域时启动计算采用蒙特卡洛方法进行10 000次仿真,分析地面车速、车流量、飞行近地速度及降落高度对碰撞风险的影响,并构建多元线性回归模型。结果表明:地面车流量(t =15.78)与地面车速(t =9.25)对碰撞概率影响最显著,车流量与近地速度均与碰撞概率近似线性正相关,地面车速升高使碰撞概率振幅增大,降落高度对碰撞概率呈“先增后减”非线性影响;当地面车速超过80 km/h且降落高度低于200 m时形成高风险区域,碰撞概率从安全阈值区(车速小于40 km/h且高度大于200 m)的0.12提升至0.27,增幅2.3倍。多元线性回归模型决定系数R2为0.965,模型拟合度与显著性良好。
高速公路混合交通流圆曲线半径可靠性设计
张航, 胡颖鹏, 彭翔, 孙煜, 吕能超
2025, 43(4): 46-56. doi: 10.3963/j.jssn.1674-4861.2025.04.005
摘要(216) HTML (133) PDF(18)
摘要:
针对自动驾驶汽车(autonomous vehicles,AVs)与人工驾驶车辆(human-drive vehicles,HDVs)组成的混合交通流在高速公路圆曲线路段因路侧设施遮挡等原因导致的停车视距不足问题,以及传统确定性方法计算模型的局限性,研究保障混合交通流视距安全的高速公路最小圆曲线半径。基于防抱死制动系统(anti-lock braking system,ABS)制动过程、横净距法,将汽车制动过程分为3个阶段,并考虑不同偏向、不同车道的有效视距,分别建立停车视距和有效视距计算模型,量化最不利情况的视距需求与供给。基于可靠度理论,考虑不同的AVs渗透率,以及驾驶人或自动驾驶系统在运行速度和制动反应时间上的随机性,使用不确定性的方法建立圆曲线半径对应的停车视距可靠性计算模型,计算《公路路线设计规范》中圆曲线一般最小半径(以下简称规范值)的停车视距可靠概率。使用95%作为目标可靠概率,提出满足视距安全的最小圆曲线半径推荐值和不同圆曲线半径下的安全车速推荐值,通过SUMO仿真验证推荐值的合理性。结果表明:AVs渗透率为0%、圆曲线半径取规范值时左偏最内侧车道的可靠概率均小于95%;随着AVs渗透率增大,可靠概率随之增大;AVs渗透率越高,满足停车视距可靠性要求的最小圆曲线半径越小、安全车速越高;与规范值相比,采用推荐值时仿真试验的交通冲突率平均降低了71.1%、交通流功率平均提高了27.3%,且进一步增大圆曲线半径无显著效益。
城市特长隧道侧壁视觉信息组合对驾驶人车辆控制能力的影响
伊轩轩, 潘婷, 杜志刚, 贺世明
2025, 43(4): 57-66. doi: 10.3963/j.jssn.1674-4861.2025.04.006
摘要(190) HTML (110) PDF(15)
摘要:
为探究不同侧壁视觉信息组合对城市特长隧道中不同车道的驾驶人车辆控制能力的影响,通过模拟驾驶实验,结合数理统计和因子分析,分析了不同视觉信息类型和车道位置的影响。结果表明:侧壁视觉信息组合和车道位置对车辆控制均具有显著影响,但不存在交互作用。在相同车道条件下,设有腰带线的场景1行车速度最高,分别较其他3种组合型场景高出5.2~9.8 km/h。纵向加速度亦以场景1最大,较其他场景高出0.08~0.14 m/s2。横向偏移方面,场景1较场景3和场景4偏移量增加0.17 m和0.16 m,横向加速度也显著更大(最高差值达0.051 m/s2)。在相同诱导方案下,车道位置差异显著:左、右车道速度分别高出中间车道3.2 km/h和2.1 km/h,左车道横向加速度较中间车道和右车道分别高出0.454 m/s2和0.495 m/s2。在相同场景下,左侧车道的驾驶行为指标整体高于中间车道和右侧车道,表明左侧与右侧车道行车风险相对较高。进一步通过因子分析发现,闭合型组合诱导方案对左右车道的车辆控制提升效果最为显著,而波浪型韵律图案更适用于提升中间车道的控制能力。建议实际工程中优先采用闭合型组合诱导方案,波浪型韵律图案可用于疲劳唤醒区以提升驾驶安全性。
高原山区双车道公路事故严重度多分类预测与特征交互效应解析
孔令智, 熊昌安, 汤金涛, 杨文臣
2025, 43(4): 67-74. doi: 10.3963/j.jssn.1674-4861.2025.04.007
摘要(224) HTML (105) PDF(28)
摘要:
针对高原山区双车道公路交通事故多类别预测精度不足及多因素交互机制不明确的问题,通过引入特征参数选择、极限梯度提升算法(extreme gradient boosting,XGBoost)、基于遗传算法(genetic algorithm,GA)超参数优化和部分依赖图(partial dependence plots,PDP),提出1种交通事故严重度三分类的可解释机器学习预测框架。以云南山区双车道公路2012—2017年的事故数据为基础,融合道路线形、交通环境、涉事车辆等14维特征,构建GA-XGBoost模型,与随机森林(random forest,RF)、支持向量机(support vector machine,SVM)及基准XGBoost对比,结合PDP探究不同风险致因对交通事故严重程度的影响机制。结果表明:①GA-XGBoost综合预测性能最优,准确率、精确率、召回率分别达81.57%、73.12%、82.68%,并且经过GA算法优化后对受伤事故和死亡事故的预测能力相比优化前分别提高14.58%和50.00%,正确分类死亡事故的数量分别是RF和SVM模型的3倍,有效提高了预测严重事故的能力;②车辆特性和交通环境特性更易对事故发生造成影响,其中肇事车型、涉事车型、事故形态和日交通量是影响最高的4个风险因素;③无论何种肇事方式,当涉事方为行人和摩托车时会显著提升事故严重程度,其中行人涉事对事故严重度的抬升作用是其余方式的1.25~5倍,同时,随着交通量的增加,侧面碰撞对事故伤害程度的提升效应会逐渐上升。
交通信息工程与控制
面向智能船艇航行场景的小目标高精度跟踪器
邵泽远, 尹勇, 吕红光, 景乾峰, 王海超
2025, 43(4): 75-85. doi: 10.3963/j.jssn.1674-4861.2025.04.008
摘要(208) HTML (116) PDF(7)
摘要:
海上小目标跟踪在智能船艇环境感知中至关重要。然而,受小目标特征信息少和船载相机抖动的影响,现有方法在跟踪精度与稳定性方面仍存在不足。为提升海上小目标的跟踪性能,研究了1种新颖的海上小目标跟踪器(SeaMicroTracker)。该跟踪器将基于深度学习的目标检测技术与优化的目标关联算法相结合,从而实现鲁棒的海上小目标跟踪。具体来说,目标检测部分采用增强型卷积神经网络(eYOLOv5)模型,以精确获取海上小目标的位置信息。目标关联部分中,设计了以观测为中心的卡尔曼滤波方法(observation-centric Kalman filter,OKF),以提高船载相机运动条件下状态估计的可靠性;提出了1种基于曼哈顿距离的交并比(Manhattan distance intersection over union,MDIoU)度量方式,以提升海上动态环境下的关联精度;并设计了1种基于逐级细化的级联匹配(progressive refinement cascade matching,PRCM)策略,以增强跟踪器对海上复杂环境变化、目标遮挡干扰的适应能力,进一步提升了海上目标关联能力。在杰瑞海事跟踪数据集上的实验结果表明,SeaMicroTracker在跟踪准确度和稳定性方面具有显著优势,多目标跟踪准确度(multiple object tracking accuracy,MOTA)和ID匹配得分(identification F1,IDF1)分别为80.6和64.0。与基线方法ByteTrack相比,所提方法的MOTA和IDF1分数分别提升了27.9%和34.7%,有效减少了ID切换次数,且平均跟踪速率达30.1FPS,满足工程应用需求。
特殊规则约束下感潮河段船舶自主航行方法
贺益雄, 柴露通, 王兵, 赵兴亚, 代永刚, 黄立文
2025, 43(4): 86-97. doi: 10.3963/j.jssn.1674-4861.2025.04.009
摘要(189) HTML (103) PDF(11)
摘要:
为解决感潮河段特殊航行规则约束下的船舶自主航行问题,以南通段水域为例,对态势感知、规则融入和操纵决策开展研究。基于环境特征与决策需求,在传统数字化交通环境模型的基础上考虑航道因素与潮汐情况,创新性构建感潮河段数字化交通环境模型并以真实数据驱动,将其转化为决策程序可识别的信息库,系统读取信息库信息,感知附近环境构成要素的状态和发展态势,为决策与控制提供输入信息。量化解析《内河避碰规则》和良好船艺要求,结合感潮河段航道走向和舷角比对方法,改进传统会遇局面辨识模型,创新性建立感潮河段会遇局面与避让责任辨识模型,明确涨潮、非涨潮期间船舶避让责任与行动时机,并建立约束方程。在环境、避让责任、操纵性等多因素约束下,提出1种能自适应潮汐影响、求取避碰方案的自主航行方法,在真实数据驱动的通航环境中进行了2组仿真实验和1组对比实验。实验结果表明:在不同潮汐情况下,本文方法均能准确识别会遇局面,判断避让责任,生成、执行能让清所有目标的改向改速方案。对比实验中,内河宽水域航行决策方法下,本船在t = 1 s时右转5°避让目标船,避让责任判定错误,行动时机和幅度不符合特殊规则和良好船艺要求;本文方法下,可感知潮汐情况和本船航行状态,在t = 201 s时右转15°安全通过,符合要求。
高原山区无人机运动轨迹规划及能耗评估模型
伍景琼, 田娜, 陈子伟, 奠然, 李云起
2025, 43(4): 98-109. doi: 10.3963/j.jssn.1674-4861.2025.04.010
摘要(307) HTML (157) PDF(38)
摘要:
为解决无人机在高原山区复杂地形环境下的路径规划与能耗评估不精准的问题,研究了基于高分辨率数字高程模型的三维运动轨迹规划与电池容量评估方法。以无人机飞行的地形适应性为核心,利用高分辨率数字高程数据构建三维数字地形图,综合考虑飞行范围、飞行高度和路径精度约束,建立以路径长度最小化、高度变化最小化和偏转角最小化为目标的加权优化函数,构建高原山区无人机三维运动轨迹规划模型,从而能够准确反映地形起伏对飞行轨迹的影响。进一步修正空间直线路径与实际飞行航迹的偏差,量化横向距离飞行与纵向高度爬升对单位能耗的影响,构建无人机电池容量评估模型,并开展能耗分析。以云南省迪庆州香格里拉市建塘镇吉迪村为案例,规划松茸交易市场与15个采集点间的无人机飞行轨迹,并对耗电进行精准评估。结果表明:修正后飞行路径比直线距离增加264~724 m,修正率为2.85%~18.94%,平均修正值438 m,平均修正率7.64%;单点单向运输任务总能耗集中在28%~58%,显示出一定的任务扩展潜力。在所有航线中,识别出38条能耗超过正常分布范围的潜在风险路线,以及4条能耗明显偏高的高风险路线。通过采用低能耗替代路段、选择高效机型和设置中途补给站等策略,可有效降低能耗风险,提升无人机在高原山区的运输可行性。
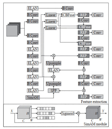
基于特征交互和多模态自适应融合的车辆再识别方法
张逊逊, 朱旭, 李晓伟
2025, 43(4): 110-118. doi: 10.3963/j.jssn.1674-4861.2025.04.011
摘要(192) HTML (111) PDF(13)
摘要:
针对可见光传感器弱光照条件下分辨率受限及单一模态表征不足导致的车辆再识别准确率低的问题,研究了基于特征动态交互和多模态自适应融合的车辆再识别方法。在网络结构方面,将SimAM模块嵌入到YOLOv9模型的骨干网络卷积层,在不引入额外参数的前提下,对不同模态特征间的空间与通道关系进行建模,提取可见光、近红外、远红外模态的初始特征。构建多模态特征交互模块,对3种模态进行特征精细提取并进行模态间信息的交互聚合,提取3种模态的增强特征。搭建多模态自适应特征融合网络,通过提取3种模态的全局向量和掩膜向量,动态自适应生成相应模态的权重系数,进而实现多模态的特征融合。针对样本类内差异大、类间差异小、及同一车辆在不同场景下显著变化的特点,构造交叉熵损失、对比损失和中心损失等多重损失函数,实现多模态的车辆再识别。为验证所提方法的有效性,在多模态数据集RGBN300和RGBNT100上开展实验验证,并与主流方法进行对比分析。针对RGBN300数据集,mAP提升了20.6%、29.0%、5.0%和3.5%;针对RGBNT100数据集,mAP提升了22.5%、12.0%、3.7%和3.0%,Rank-1、Rank-5和Rank-10达到了95.1%、96.7%和96.9%。实验结果表明:通过特征交互和多模态自适应融合,所提取的融合特征更具判别性,车辆再识别性能得到了有效提升。
考虑复申请间隔的飞机离港动态推出控制模型
杨靖舸, 艾秋池, 黄珊, 廉冠
2025, 43(4): 119-128. doi: 10.3963/j.jssn.1674-4861.2025.04.012
摘要(137) HTML (75) PDF(6)
摘要:
针对大型枢纽机场航班离港过程的长时间滑行道排队等待导致大量燃油消耗和废气排放的问题,研究了1种在传统N-Control策略基础上改进的、带有复申请间隔的线性推出控制模型(N-control-linear policy,NCLP)。通过设定最优滑行道排队长度阈值及控制点参数,当实时排队长度超出该阈值时,模型能够逐根据滑行道容量实时状态动态调整推出许可率,实现高效动态离港控制。采用与跑道服务时间相等的航班推出复申请间隔,建立了滑行道排队系统与登机口虚拟排队系统模型,构建了滑行道燃油消耗与登机口占用惩罚的综合成本目标函数。提出了1种基于连续时间马尔可夫链的优化算法,实现滑行道容量与动态推出控制策略的双层循环,进而确定燃油消耗与登机口惩罚成本之间的最优滑行道排队阈值。以北京首都国际机场的实际运行数据为对象开展仿真实验,结果表明:当滑行道排队长度达到最优阈值时,NCLP控制策略相较于无控制情况和传统N-Control策略具有显著优势;与N-Control策略相比,该模型最高可将全天平均滑行等待时间由9.51 min减少至6.94 min,燃油消耗和总运行成本能够分别降低27.07%和23.91%,验证了提出模型减少机场滑行燃油消耗的有效性。
交通规划与管理
人机交互系统影响下城市无信号交叉口驾驶人负荷和行为特性
鞠云杰, 陈丰
2025, 43(4): 129-138. doi: 10.3963/j.jssn.1674-4861.2025.04.013
摘要(210) HTML (98) PDF(8)
摘要:
人机交互系统(human-machine interaction system, HMIs)在提升驾驶体验方面发挥着至关重要的作用。然而,额外交互信息的引入是否会导致驾驶人工作负荷超载以及其对行为绩效的影响尚不明确。为此,本研究招募29名被试进行驾驶模拟器试验,测量检测-响应任务(detection response task,DRT)、美国航空航天局认知负荷指数(national aeronautics and space administration task load index,NASA-TLX)和驾驶行为参数,分析不同人机交互系统和冲突类型下的驾驶人工作负荷和行为特性,并考虑其交互效应。结果表明:①DRT结果显示:在综合视听信息影响下,驾驶人的DRT响应时间减少12.1%且命中率增加5.8%~48.5%,意味着驾驶人建立了高级别的态势感知,能够分配更多认知资源响应DRT请求。此外,交叉冲突环境中的驾驶人需要频繁监控周边交通环境以确定其他道路使用者位置和运动轨迹,致使DRT响应时间增加14.8%,命中率减少22.6%;②基于NASA-TLX测量的主观负荷结果显示,综合视听信息作用下的个人努力维度得分减少21.7%~22.8%,驾驶人认为他们可以比其他人更轻松地达到预期性能水平;驾驶人感受到的时间压力减少19.8%,驾驶节奏舒缓且从容;挫败感维度得分减少31.4%~32.9%,不安全、气馁、烦躁、紧张和恼怒等负面情绪减少;③由于应对安全关键事件的充足空间和时间裕度,具有综合视听信息的驾驶人的速度标准差、加速噪声和横向偏移标准差分别减少32.1%、26.9%和7.1%,驾驶更加平稳、舒适感更强、车道保持能力和横向控制稳定性更好。
城际出行场景下出行者电动汽车选择影响因素
侯亘, 田伦, 潘晓锋, 薛晓伟
2025, 43(4): 139-148. doi: 10.3963/j.jssn.1674-4861.2025.04.014
摘要(165) HTML (103) PDF(9)
摘要:
受限于电动汽车的电池技术及由此带来的里程焦虑,电动汽车的主要应用场景依旧是城市内部出行。为了扩大电动汽车的使用,有必要研究城际出行场景下出行者对电动汽车的选择行为。本研究采用意向调查方法,设计了城际出行场景下出行者选择电动汽车和燃油汽车的调查问卷,基于回收的400份有效问卷构建了混合Logit模型,分析了出行者对电动汽车的选择偏好及其异质性,并在此基础之上探讨了出行者的时间价值和电动车续航里程的弹性,最终提出了相应的政策建议以扩大电动汽车的市场份额和应用场景。研究结果表明:①实验所考虑的因素会显著影响出行者城际出行场景下的选择行为,其中高速里程占比偏好系数分别服从μ =-0.473、σ =0.818(电动汽车)以及μ =-0.576、σ =1.371(燃油汽车)的正态分布,电动汽车的拥挤行驶时间和续航里程的偏好系数分别服从μ =0.397、σ =0.422的负对数正态分布以及μ =-1.053、σ=0.356的对数正态分布;②对于电动汽车而言,时间价值最大的场景是拥挤行驶(133.16元/h),其后依次为充电排队(71.83元/h)、充电(54.05元/h)和自由行驶(52.50元/h);对于燃油汽车而言,时间价值最大的场景是加油排队(453.43元/h),其后依次为拥挤行驶(159.14元/h)、自由行驶(60.57元/h)和加油(54.05元/h);③电动汽车续航里程每增加1%,本研究案例中电动汽车的分担率将增加0.17%。
基于时空网络的大面积航班延误传播预测与评估方法
屈景怡, 邢佳龙, 王锦峰, 杨俊
2025, 43(4): 149-159. doi: 10.3963/j.jssn.1674-4861.2025.04.015
摘要(282) HTML (146) PDF(19)
摘要:
针对航班运行在时空维度上的高度耦合性所引发的大面积延误在多机场间传播问题,采用动态网络分析方法,深入探究空中交通延误的传播规律。为精准捕捉延误传播动态,构建了1个以机场为节点、以离港航班为边、5 min为时间分辨率的时空网络。在航班延误时空图的构建过程中,将边的权重从直接采用延误时间的统计平均值或通过简单的经验规则估算,改进为基于深度学习预测得到的权重。针对航班延误预测任务,研究利用多任务学习的NR-DenseNet模型,同时预测航班延误时间(回归)与是否延误(分类),提升了权重的准确性和实时性。通过对比不同网络深度的性能,实验表明:16层NR-DenseNet在双任务中表现最优,其回归预测的均方误差(mean squared error,MSE)和平均绝对误差(mean absolute error,MAE)分别达到58.30和3.28,分类准确率提升至94.8%。在指标度量方面,研究发现单一指标难以全面评估空中交通延误传播的复杂性,因此构建了3个评估指标:强度、传播率和速度,以定量分析延误传播的多维度特征。以华东空管局提供的国内数据为研究对象,结果表明:本文方法能有效阐明空中交通在计划航班时刻表上大面积延误传播的时空细节。
基于模糊DBN的生鲜冷链物流风险评估方法
马颖, 隽雯露, 王诗颖
2025, 43(4): 160-167. doi: 10.3963/j.jssn.1674-4861.2025.04.016
摘要(308) HTML (149) PDF(11)
摘要:
针对生鲜冷链物流风险因素多、风险状态随时间变化等问题,为提升生鲜冷链物流风险动态评估效能,精准识别其关键风险诱因,基于模糊动态贝叶斯网络开展生鲜冷链物流风险评估方法研究。基于全流程-多维度融合视角,采用分解分析法解构生鲜冷链物流运作全流程,运用熵权-TOPSIS法深度筛选核心指标,构建了全流程多维度生鲜冷链物流风险评估指标体系。并结合模糊理论,纳入生鲜特性参数,以确定动态贝叶斯网络的条件概率分布,从而建立生鲜冷链物流的DBN风险评估模型。以武汉市某生鲜冷链物流企业为例开展实证分析,利用GeNIe软件建立DBN风险评估模型,对生鲜冷链物流的风险因素概率评估。结果表明:生鲜冷链物流风险的发生概率随着时间的转移从0.24增加到0.31;其中,运输环节呈现出最高的风险发生概率,构成生鲜冷链物流系统的关键风险变量,且随着时间流逝,存储环节因堆放方式不当、存储温度不适等原因,存储风险易转移至运输环节,导致运输风险增加约10%,对生鲜冷链物流风险影响最大。与BN相比,模糊DBN风险评估的精准性提高19.73%。
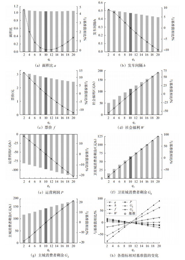
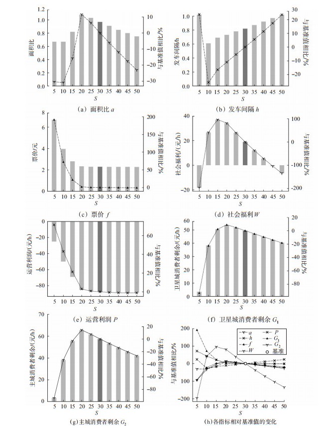
考虑乘客选择行为的城际需求响应式公交服务设计优化方法
杨鸿泰, 杨子健, 刘祥, 郑镕, 刘政, 葛乾, 嵇昂
2025, 43(4): 168-180. doi: 10.3963/j.jssn.1674-4861.2025.04.017
摘要(234) HTML (127) PDF(32)
摘要:
需求响应式公交是1种基于预约的新型出行服务模式。然而,现有研究主要关注城市内部场景,而在城际场景下的服务设计与优化仍显不足。同时,现有模型通常侧重于以运营成本最低或运营利润最大为目标,缺乏对运营利润与消费者剩余的综合考量,难以全面提升社会福利。此外,现有研究普遍假设固定需求密度,未充分纳入乘客选择偏好。为弥补以上不足,在综合考虑乘客的选择行为的基础上,以社会福利最大化(运营利润与消费者剩余之和)为目标,选取发车间隔、主城与卫星城的服务区域面积比、票价作为决策变量,基于连续近似法构建城际需求响应式公交服务设计优化模型,并采用拉格朗日乘子法进行求解。进一步对比社会福利最大化与运营利润最大化2种目标下的最优方案。结果表明:在社会福利最大化目标下,虽运营利润为负,但在适度补贴条件下,社会福利可由54.976元/h提升至110.906元/h,验证了方法的有效性。对模型部分参数的灵敏度分析结果表明:卫星城服务区域面积对社会福利影响较小,并非城际需求响应式公交布局的主要限制因素;而城际公路长度对乘客选择影响显著,需通过调查确保际需求响应式公交合理布局。总体而言,本文提出的城际需求响应式公交服务设计优化方法,不仅能够为决策者在给定需求密度条件下优化发车间隔、服务区域面积与票价提供参考,还可结合灵敏度分析结果,辅助其选择合适车型,以进一步提升整体运营效益与社会福利。