Volume 43 Issue 6
Dec.  2025
Turn off MathJax
Article Contents
GU Xin, JIANG Haotian, AI Qi, XU Chengcheng. An Extraction Method of Waterlogged Areas and Analysis of Road Network Traffic Capacity Based on Multi-source Remote Sensing Data Fusion[J]. Journal of Transport Information and Safety, 2025, 43(6): 42-53. doi: 10.3963/j.jssn.1674-4861.2025.06.005
Citation: GU Xin, JIANG Haotian, AI Qi, XU Chengcheng. An Extraction Method of Waterlogged Areas and Analysis of Road Network Traffic Capacity Based on Multi-source Remote Sensing Data Fusion[J]. Journal of Transport Information and Safety, 2025, 43(6): 42-53. doi: 10.3963/j.jssn.1674-4861.2025.06.005

An Extraction Method of Waterlogged Areas and Analysis of Road Network Traffic Capacity Based on Multi-source Remote Sensing Data Fusion

doi: 10.3963/j.jssn.1674-4861.2025.06.005
  • Received Date: 2025-06-06
    Available Online: 2026-03-13
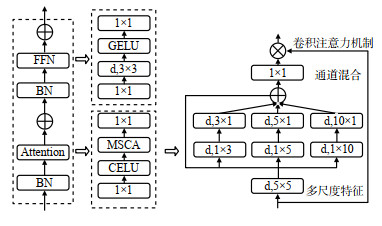
  • To address the challenge of accurately quantifying urban traffic risks during the dynamic progression of flood disasters, this study proposes a deep learning-based method for high-precision flood area extraction and analyzes the traffic capacity of urban roads during flooding through dynamic hydrodynamic simulations. A dynamic road network traffic assessment framework, encompassing flood detection, water depth calculation, and traffic capacity analysis, is established. This approach integrates synthetic aperture radar (SAR) imagery, optical imagery, and high-resolution digital elevation model (DEM) data, employing a U-Net deep learning model to precisely extract flood areas. By combining remote sensing data and geographic information, along with terrain factors such as slope and curvature, a flood water level boundary model is developed. The system utilizes real-time precipitation and land use information to drive dynamic water flow simulations, and integrates water depth change grids with vectorized road network data to estimate the inundation depth of different road types. A road topology structure and traffic capacity update mechanism are then established, including water depth and vehicle speed attenuation models for different road classes, quantifying the impact of water depth on traffic speed. Based on this model, multi-temporal traffic capacity change maps are generated, and complex network indicators are used to quantitatively assess road network connectivity. Results show that the method effectively addresses challenges such as shadow interference and building occlusion, significantly improving the accuracy of flood area segmentation. Specifically, the Intersection over Union (IoU) and F1 scores for flood area recognition achieved 97.56% and 97.79%, respectively, outperforming the support vector regression (SVR) model, with a 5% improvement across all metrics. The analysis indicates that, with a rainfall of 270.76 mm, the average water depth of internal roads and branches is significantly higher than that of arterial roads and highways. As water depth increases, the traffic speed of roads decreases by approximately 13.2%, with urban roads'traffic capacity reduced by an average of 13.2%. However, arterial roads maintain 83.3% of their traffic capacity, indicating their potential for emergency use. Furthermore, post-flood road network structure deteriorates significantly, with overall network connectivity decreasing by 58.2% compared to pre-flood conditions.

     

  • loading
  • [1]
    United Nations Office for Disaster Risk Reduction. Human cost of disasters: an overview of the last 20 years (2000-2019)[R/OL]. (2020-10-12)[2025-02-27]. https://www.undrr.org/media/48008/download?startDownload=true.
    [2]
    CHEN F, ZHANG M, ZHAO H, et al. Pakistan's 2022 floods: Spatial distribution, causes and future trends from Sentinel-1 SAR observations[J]. Remote Sensing of Environment, 2024, 304: 114055. doi: 10.1016/j.rse.2024.114055
    [3]
    曾玲方, 李霖, 万丽华. 基于Sentinel-1卫星SAR数据的洪水淹没范围快速提取[J]. 地理信息世界, 2015, 22(5): 100-103, 107.

    ZENG L F, LI L, WAN L H. SAR-based fast flood mapping using Sentinel-1 imagery[J]. Geomatics World, 2015, 22(5): 100-103, 107. (in Chinese)
    [4]
    陈赛楠, 蒋弥. Sentinel-1 SAR在洪水范围提取与极化分析中的应用研究[J]. 地球信息科学学报, 2021, 23(6): 1063-1070.

    CHEN S N, JIANG M. Application research of Sentinel-1 SAR in flood range extraction and polarization analysis[J]. Journal of Geo-information Science, 2021, 23 (6) : 1063-1070. (in Chinese)
    [5]
    HAMIDI E, PETER B G, MUÑOZ D F, et al. Fast flood extent monitoring with SAR change detection using google earth engine[J]. IEEE Transactions on Geoscience and Remote Sensing, 2023, 61: 1-19.
    [6]
    龚蒙, 张永宏, 孙书林, 等. DPL-Net: 用于高分辨率遥感图像的水体提取网络[J]. 计算机工程与应用, 2025, 61(16): 224-233.

    GONG M, ZHANG Y H, SUN S L, et al. DPL-net: network for water body extraction in high-resolution remote sensing images[J]. Computer Engineering and Applications, 2025, 61 (16): 224-233. (in Chinese)
    [7]
    LI Y, MARTINIS S, WIELAND M. Urban flood mapping with an active self-learning convolutional neural network based on TerraSAR-X intensity and interferometric coherence[J]. ISPRS Journal of Photogrammetry and Remote Sensing, 2019, 152: 178-191. doi: 10.1016/j.isprsjprs.2019.04.014
    [8]
    WU M, XIN Y, WU Z, et al., Study of the effects of urban elements on traffic access in flooding at the neighbourhood scale[J]. Journal of Hydrology, 2025. 663: 134207. doi: 10.1016/j.jhydrol.2025.134207
    [9]
    CHEN F, ZHANG M, ZHAO H, et al. Pakistan's 2022 floods: spatial distribution, causes and future trends from Sentinel-1 SAR observations[J]. Remote Sensing of Environment, 2024, 304: 114055. doi: 10.1016/j.rse.2024.114055
    [10]
    代鑫, 黄弘, 汲欣愉, 等. 基于机器学习的城市暴雨内涝时空快速预测模型[J]. 清华大学学报(自然科学版), 2023, 63 (6): 865-873.

    DAI X, HUANG H, JI X Y, et al. Spatio-temporal rapid prediction model for urban flooding under heavy rain based on machine learning[J]. Tsinghua Univ (Sci & Technol), 2023, 63(6): 865-873. (in Chinese)
    [11]
    MA F, ZHANG Y, LIU Q, et al. Modeling urban transportation safety resilience under extreme rainstorms: a catastrophe theory approach[J]. Reliability Engineering & System Safety, 2025, 263: 111301.
    [12]
    SONG Y, GUO L, WANG C, et al. Urban road waterlogging multi-level assessment integrated flood models and road network models[J]. Transportation Research Part D: Transport and Environment, 2024, 133: 104305 doi: 10.1016/j.trd.2024.104305
    [13]
    QIAO Y, WANG Y, JIN N, et al. Assessing flood risk to urban road users based on rainfall scenario simulations[J]. Transportation Research Part D: Transport and Environment, 2023, 123: 103919. doi: 10.1016/j.trd.2023.103919
    [14]
    ZAHURA F T, GOODALL J L, CHEN T D. Using crowd-sourced data to estimate passenger vehicle travel delays from nuisance flooding[J]. Transportation Research Part D: Transport and Environment, 2024, 133: 104307. doi: 10.1016/j.trd.2024.104307
    [15]
    HE K, PREGNOLATO M, CARHART N, et al. Functionality assessment of road network combining flood roadworthiness and graph topology[J]. Transportation Research Part D: Transport and Environment, 2024, 135: 104354. doi: 10.1016/j.trd.2024.104354
    [16]
    梅超, 陈宇枫, 刘家宏, 等. 基于情景模拟的城市内涝对道路交通的影响评估[J]. 水资源保护, 2022, 38(6): 31-38.

    MEI C, CHEN Y F, LIU J H, et al. Impact assessment of urban waterlogging on road traffic based on scenario simulation[J]. Water Resources Protection, 2022, 38(6): 31-38. (in Chinese)
    [17]
    LI W, WU J, CHEN H, et al. U-Net combined with attention mechanism method for extracting flood submerged range[J]. IEEE Journal of Selected Topics in Applied Earth Observations and Remote Sensing, 2022, 15: 6588-6597. doi: 10.1109/JSTARS.2022.3194375
    [18]
    WANG Z. Disaster remote sensing image semantic segmentation model with boundary constraints based on SegNeXt[C]. IEEE 3rd International Conference on Neural Networks, Information and Communication Engineering(NNICE), 2023.
    [19]
    KRAMER M, TERHEIDEN K, WIEPRECHT S. Safety criteria for the trafficability of inundated roads in urban floodings[J]. International Journal of Disaster Risk Reduction, 2016, 17: 77-84. doi: 10.1016/j.ijdrr.2016.04.003
    [20]
    OTSU, N. A threshold selection method from gray-level histograms, [J]. IEEE Transactions on Systems, Man, and Cybernetics, 1979, 9(1): 62-66. doi: 10.1109/TSMC.1979.4310076
    [21]
    VAPNIK V, IZMAILOV R. Reinforced SVM method and memorization mechanisms[J]. Pattern Recognition, 2021, 119: 108018. doi: 10.1016/j.patcog.2021.108018
    [22]
    ZHAO H, SHI J, QI X, et al. Pyramid scene parsing network[C]. IEEE Conference on Computer Vision and Pattern Recognition: IEEE, 2017.
    [23]
    HE K, ZHANG X, REN S, et al. Deep residual learning for image recognition[C]. IEEE Conference on Computer Vision and Pattern Recognition: IEEE, 2016.
  • 加载中

Catalog

    通讯作者: 陈斌, bchen63@163.com
    • 1. 

      沈阳化工大学材料科学与工程学院 沈阳 110142

    1. 本站搜索
    2. 百度学术搜索
    3. 万方数据库搜索
    4. CNKI搜索

    Figures(14)  / Tables(7)

    Article Metrics

    Article views (9) PDF downloads(1) Cited by()
    Proportional views
    Related

    /

    DownLoad:  Full-Size Img  PowerPoint
    Return
    Return